


精度高、抗偏载能力强
容易安装,IP66
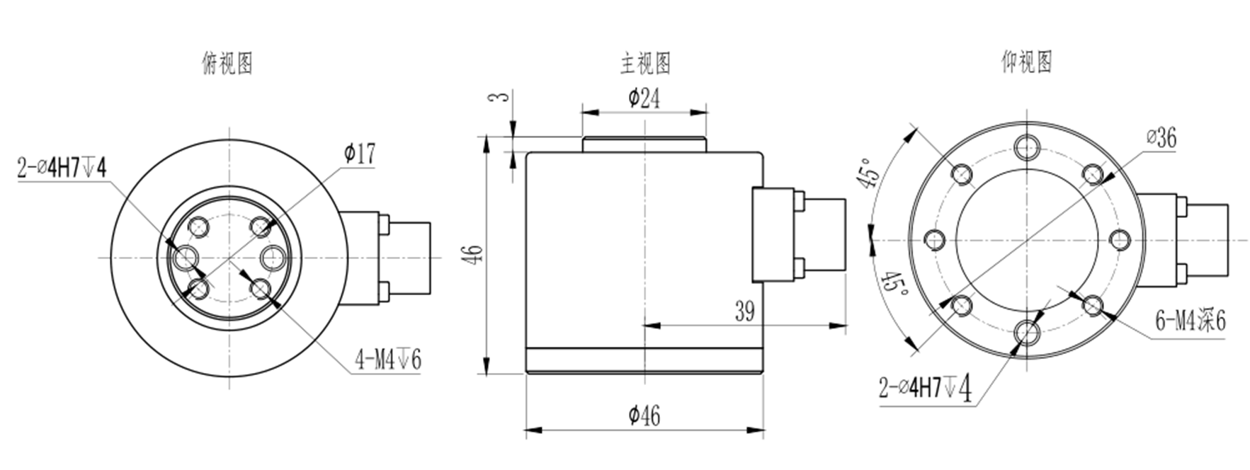
接受定制规格
机器手臂精密控制、曲面研磨抛光,加工中心精雕加工、医疗设备精密测试
High accuracy with strong ability of anti-side force
Easy to install, IP66 protection
Dimension is customizable
Precision control of mechanical arm, grinding and polishing for Spherical, carved processing of machining center, precision testing of medical equipment,
参数 | Specifications | 技术指标/Technique |
额定容量 | Capacity(N) | X: 50/100/200/300/500 Y: 50/100/200/300/500 Z:50/100/200/300/500/1000 |
输出灵敏度 | Rated output | ≈1.0mV/V |
零点输出 | Zero balance | ±2%F.S. |
非线性 | Non-linearity | 0.3%F.S. |
精度 | precision | 0.1%F.S. |
重复性 | Repeatability | 0.2%F.S. |
互扰误差 | Interference error | 0.5%F.S. |
蠕变(30min) | Creep(30min) | 0.2%F.S. |
温度灵敏度漂移 | Temp.effect on output | 0.1%F.S./10℃ |
零点温度漂移 | Temp.effect on zero | 0.1%F.S./10℃ |
输入电阻 | Input impedance | 350±10Ω |
输出电阻 | Output impedance | 350±10Ω |
绝缘电阻 | Insulation | ≥5000MΩ/100VDC |
激励电压 | Recommended excitation | 5~12V |
最大激励电压 | Maximum excitation | 15V |
温度补偿范围 | Compensated temp range | -10~40℃ |
工作温度范围 | Operation temp range | -20~75℃ |
安全超载 | Safe overload | 150%F.S. |
极限超载 | Ultimate overload | 300%F.S. |
电缆线尺寸 | Cable size | Φ5×4000mm |
单件重量 | Weight approx. | 0.4kg |
防护等级 | IP Class | IP66 |

