


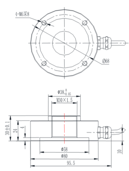
高度低,变形量小,外形尺寸小
不锈钢材料
防护等级:IP67,可定制
汽车压装、自动化组装、3C产品测试、新能源产品组装、医疗检测、机器人领域,模具组装及其他工业测试、测量及控制系统
动态响应频率高
Low profile,small deflection and mini dimension
Made of stainless steel
,IP67 protection, customizable
Suitable for Automotive press fit, automated assembly, 3C products testing, new energy product assembly, medical testing, robotics, mold assembly and other industrial testing and control system
High dynamic response frequency
参数 | Specifications | 技术指标/Technique |
额定容量 | Capacity | 5,10,20,30,50 kN |
输出灵敏度 | Rated output | 1.5±10%mV/V |
零点输出 | Zero balance | ±0.03 mV/V |
非线性 | Non-linearity | 0.2%F.S. |
精度 | precision | 0.1%F.S. |
重复性 | Repeatability | 0.1%F.S. |
蠕变(30min) | Creep(30min) | 0.1%F.S. |
温度灵敏度漂移 | Temp.effect on output | 0.05%F.S./10℃ |
零点温度漂移 | Temp.effect on zero | 0.05%F.S./10℃ |
输入电阻 | Input impedance | 780±20Ω |
输出电阻 | Output impedance | 700±10Ω |
绝缘电阻 | Insulation | ≥5000MΩ/100VDC |
激励电压 | Recommended excitation | 5~15V |
最大激励电压 | Maximum excitation | 20V |
温度补偿范围 | Compensated temp range | -10~60℃ |
工作温度范围 | Operation temp range | -20~80℃ |
安全超载 | Safe overload | 150%F.S. |
极限超载 | Ultimate overload | 200%F.S. |
电缆线尺寸 | Cable size | φ5×4000mm |
材料 | Material | Stainless Steel(不锈钢) |
防护等级 | IP Class | IP67(可订制IP68) |

